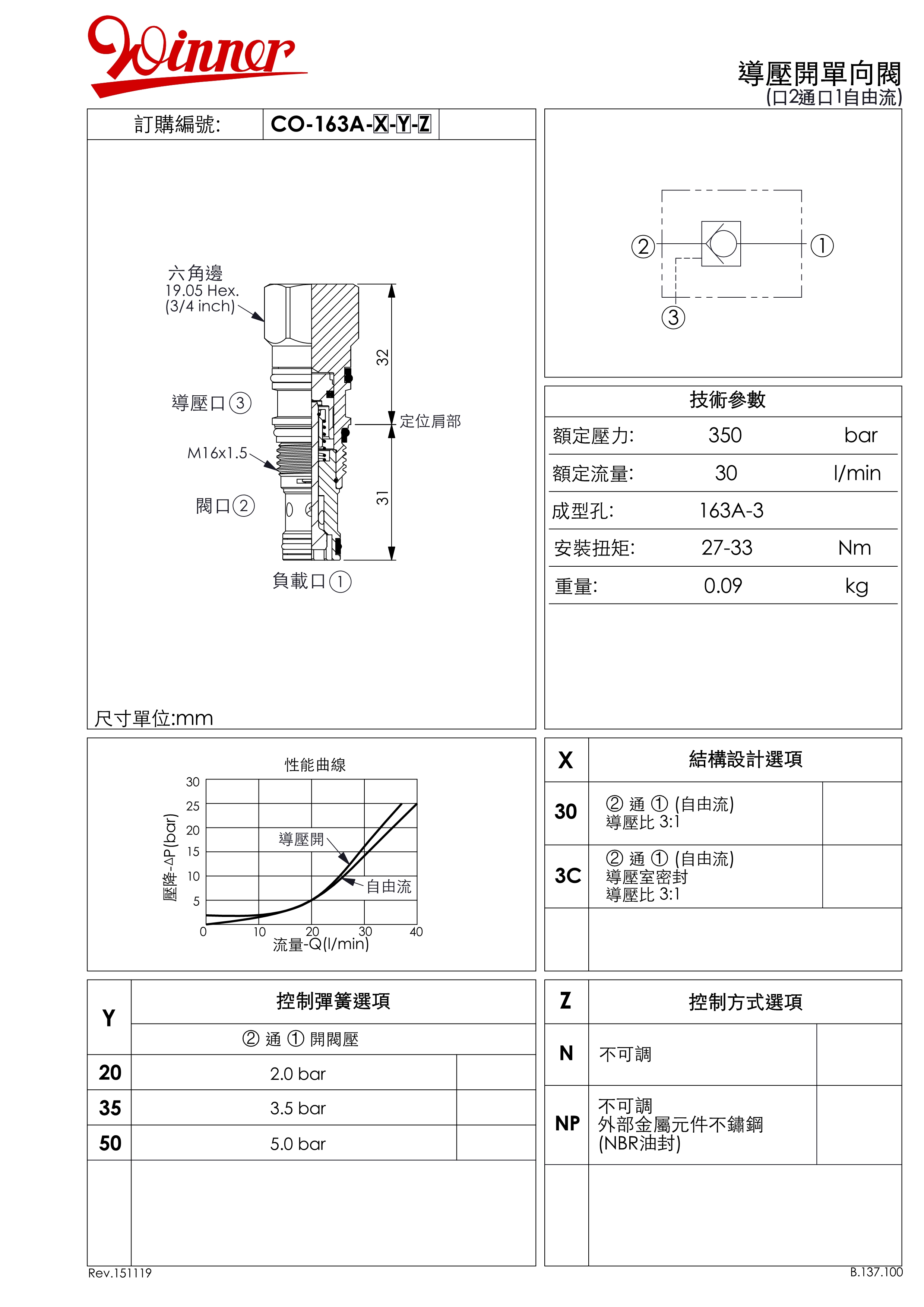
WINNER单向阀 CO163A3020N系列
导压开单向阀(口2通口1自由流)
CO163A3020N/CO163A3020NP/CO163A3C20N/CO163A3C20NP
CO163A3035N/CO163A3035NP/CO163A3C35N/CO163A3C35NP
CO163A3050N/CO163A3050NP/CO163A3C50N/CO163A3C50NP

WINNER单向阀 CO163A3020N系列
导压开单向阀(口2通口1自由流)
CO163A3020N/CO163A3020NP/CO163A3C20N/CO163A3C20NP
CO163A3035N/CO163A3035NP/CO163A3C35N/CO163A3C35NP
CO163A3050N/CO163A3050NP/CO163A3C50N/CO163A3C50NP
