

多联泵之前端必须为最大流量的泵,若流量相同则前泵必须是压力最高的泵,同理亦适用於第二及以后的泵。

相关尺寸图说明
| 型式 | IG2 | IG3 | IG4 | IG5 | IG6 | |||||||||||
|---|---|---|---|---|---|---|---|---|---|---|---|---|---|---|---|---|
| Displacement | 3.5 | 5.5 | 6.5 | 8 | 10 | 13 | 16 | 20 | 25 | 32 | 40 | 50 | 64 | 80 | 100 | 125 |
| A | 19 | 19 | 19 | 19 | 18 | 18 | 18 | 20 | 20 | 20 | 22 | 22 | 22 | 26 | 26 | 26 |
| B,D | 64 | 69 | 73 | 78 | 84 | 90 | 95 | 102 | 108 | 116 | 138 | 145 | 155 | 171 | 181 | 193 |
| E | 24 | 24 | 24 | 24 | 28 | 28 | 28 | 42 | 42 | 42 | 39 | 39 | 39 | 45 | 45 | 45 |
连接座尺寸
|
||||||||||||||||||||||||||||||||||||||||||||||||
| 单位: mm |
连接座尺寸说明:
No.2, 适用於 IG*-2E(S)/IG*-2S
No.3, 适用於 IG*-3E(S)/IG*-3S(2S)
No.4, 适用於 IG*-4E(S)/IG*-4S(3S, 2S)
No.5, 适用於 IG*-5E(S)/IG*-5S(4S, 3S, 2S)
No.6, 适用於 IG*-6E(S)/IG*-6S(5S, 4S)
![]() |
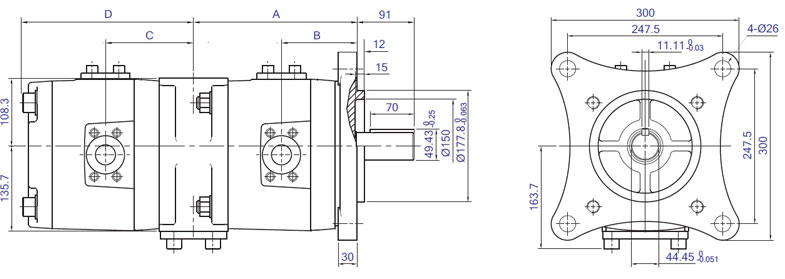
相关尺寸说明
|
||||||||||||||||||||||||||||||||||||||||||
![]() |
|||||||||||||||||||||||||||||||||||||||||||
![]() |
相关尺寸说明
|
||||||||||||||||||||||||||||||||||||||||||||||||||||||||||||
![]() |
|||||||||||||||||||||||||||||||||||||||||||||||||||||||||||||
进口空油压_油缸|气缸|电磁阀|变量叶片泵|压力继电器|电机|压力计|三点组合















